Quantité
Total
Dont d' éco-part. DEEE
Il y a 0 produits dans votre panier. Il y a 1 produit dans votre panier.
Total produits
Frais de port  À définir
Total
Continuer mes achats Commander
Recommandé

Installation de votre produit

49€40
Vos produits 0 produit

Total

Sous-total de la commande
0
00
Livraison
0
00
Total
0
00
Dont d' éco-part. DEEE
COMMANDER

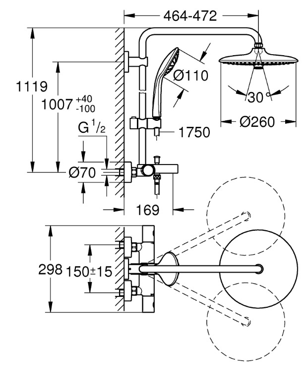
Grohe EUPHORIA SYSTEM 260 colonne bain / douche thermostatique 3 jets XL, douchette 3 Jets, Chrome (26114002)

  • Référence du produit: G26114002
  • EAN: 4005176647888
  • Marque: Manufacturer 6
  • Série: EUPHORIA SYSTEM 260
Garantie du produit: 5 ans
Produit seul
569
90
TTC
837
83
Prix public conseillé
Le prix public conseillé (PPC) est un prix de revente conseillé par un fabricant à ses distributeurs.
Lorsqu’il s’agit d’un pack multi-marques, c’est alors la somme des PPC de ses composants.
( 31.98% d'économie)
Quantité:
Expédié habituellement sous 77 jours

Caractéristiques de la  EUPHORIA SYSTEM 260 colonne bain/ douche thermostatique 3 jets XL, douchette 3Jets, Chrome (26114002):

  • Bras de douche horizontal orientable 450 mm
  • Mitigeur thermostatique avec fonction Aquadimmer
  • Douche de tête Euphoria 260Pluie, SmartRain, Jet
  • Avec rotule: angle de rotation ± 15°
  • Mitigeur thermostatique avec Bec de bain
  • Douchette Euphoria 110 Massage 
  • 3 jets réglables: Pluie, Massage, SmartRain
  • Réglable en hauteur avec support coulissant
  • Flexible de douche Silverflex 1750 mm
  • Cartouche compacte GROHE TurboStat avec thermoélément en cire
  • GROHE SafeStop à 38°C
  • GROHE SafeStop Plus limiteur de température en option à 43°C inclus
  • Finition GROHE longue durée
  • GROHE SprayDimmer (réduction progressive du débit)
  • Support supérieur GROHE FastFixation réglable
  • Inner WaterGuide pour une durée de vie plus longue
  • Système anti-calcaire SpeedClean
  • TwistStop (pour empêcher le tuyau de se tordre)
  • adapté aux chauffages instantanés (min. 19 kW/h)
  • débit minimum 7 l/min.
Caractéristiques techniques du produit
  • Coloris:Chrome
  • Type de produit:Colonne de douche
  • Poids (kg):7.2
  • Saillie:169mm
  • Longueur du bras de douche:450mm
  • Longueur flexible (cm):175
  • Nombre de jets:3 jets
  • Taille de la douche de tête:260mm
  • Économie d'eau:Oui
  • Coloris fabricant:Chrome
  • Type de mitigeur:Thermostatique
  • Douchette:3 jets
  • Forme de la tête:Ronde
  • Longueur de la barre (cm):112
Ecrire un commentaire
Avis *
Les champs marqués d'un astérisque (*) sont obligatoires.
Produit seul
569
90
TTC
837
83
Prix public conseillé
Le prix public conseillé (PPC) est un prix de revente conseillé par un fabricant à ses distributeurs.
Lorsqu’il s’agit d’un pack multi-marques, c’est alors la somme des PPC de ses composants.

(31.98% d'économie)
Quantité:
Expédié habituellement sous 77 jours
Paiement sécurisé
Avis clients
Bruno C.
01/11/2025

Super, commande conforme livrée très rapidement et bien emballée ! Je recommande.

Kouider K.
04/12/2025

J'ai acheté plusieurs articles chez Livea pour ma nouvelle salle de bain et j'ai été très satisfait de la prise en compte de la commande ainsi que la rapidité de livraison. Les articles correspondent aux éléments du site et j'ai enregistré le site en cas

Bruno G.
02/11/2025

Commande expédiée rapidement, emballage soigneux.

Pierre A.
06/01/2026

Site sérieux et prix attractifs. Dans mon cas le SAV a su être joignable et réactif suite à un problème relevant du transporteur, une solution a été trouvée rapidement. Merci.

4.5/5