Quantité
Total
Dont d' éco-part. DEEE
Il y a 0 produits dans votre panier. Il y a 1 produit dans votre panier.
Total produits
Frais de port  À définir
Total
Continuer mes achats Commander
Recommandé

Installation de votre produit

49€40
Vos produits 0 produit

Total

Sous-total de la commande
0
00
Livraison
0
00
Total
0
00
Dont d' éco-part. DEEE
COMMANDER

Pack WC Bati-support Geberit Duofix + Cuvette Ideal Standard Tesi Aquablade + Plaque blanche (TesiGeb3-RT)

  • Référence du produit: TESIGEB3-RT
  • EAN: 734077004684
  • Marque: Manufacturer 5 31
  • Série: Duofix
Garantie du produit: 2 ans
Produit seul
539
90
TTC
758
19
Prix public conseillé
Le prix public conseillé (PPC) est un prix de revente conseillé par un fabricant à ses distributeurs.
Lorsqu’il s’agit d’un pack multi-marques, c’est alors la somme des PPC de ses composants.
( 28.79% d'économie)
Quantité:
351 En stock
Expédié avant le 27 février
Dont 0.30 d' éco-part. DEEE

Contenu du pack WC Bâti Duofix + Cuvette Ideal Standard Tesi Aquablade + Plaque blanche (TesiGeb3) :

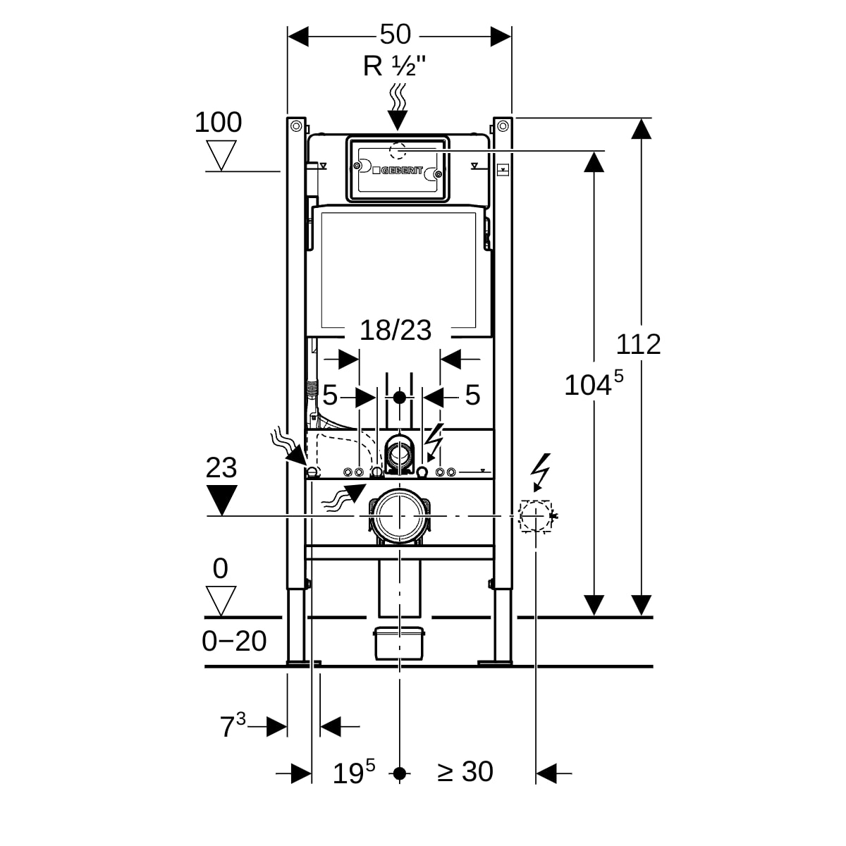
  • Geberit DUOFIXBasic pour toilettes suspendues, avec réservoir Delta (111.153.00.1)
  • Kit de fixations murales Geberit Duofix pour auto-assemblage (111.839.00.1)
  • Geberit Plaque de déclenchement DELTA01 blanche (115.107.11.1)
  • Cuvette Ideal Standard Tesi AquaBlade et abattant ultra-fin avec frein de chute (T354601)
  • Manchon de raccordement 90/100

.

Geberit DUOFIXBasic pour toilettes suspendues, avec réservoir Delta (111.153.00.1) : 

Préconisations de mise en oeuvre : 

Ces bâti-supports pour WC suspendus sont dédiés aux types d'installation suivants :

  • Contre un mur porteur (voile béton, carreaux de plâtre, béton cellulaire, briques, parpaings) et sur une dalle béton en utilisant les fixations fournies.
  • Dans une cloison à ossature métallique constituée de rails renforcés (KNAUF, PLACO, …) à hauteur de la pièce ou avec des rails et montants Geberit système Duofix à hauteur partielle ou de la pièce (selon préconisations fabricant).

Ces bâti-supports pour WC suspendus ne peuvent être installés contre des cloisons en plaques de plâtre à âme alvéolaire en carton, contre des cloisons en plaques de plâtre sur ossature métallique ou contre des cloisons de séparation double peau en plaques de plâtre sur ossature métallique sans accessoirisation additionnelle (substitution des pieds fournis par des pieds autoportants) ou l'ajout de renforts complémentaires (à intégrer au préalable dans la cloison au niveau des fixations hautes).

Ces bâti-supports pour WC montés suspendus peuvent être installés sur des planchers en bois s'ils sont posés contre un mur porteur (voir description précédente) et leurs pieds sur une solive ou lambourde à l'aide des tirefonds fournis.

Caractéristiques principales :

  • Citerne encastrée Geberit Delta UP100 (12 cm), activation frontale
  • Anticondensation, profondeur d'installation : 12 cm
  • Réglage possible du grand débit de chasse (4,5 / 6 / 7,5 L)
  • Petit débit fixe, possibilité de rinçage immédiat
  • Alimentation en eau arrière/centrale supérieure
  • Raccordement manuel possible à la vanne d’angle
  • Compatibilité :
    • 1 touche : Delta15
    • 2 touches : Delta20
  • Cadre autoportant, revêtement bleu, avec trous ø 9 mm (fixation bois)
  • Pieds réglables de 0 à 20 cm, plaques de base adaptées au montage UW50

Informations techniques :

  • Réglage usine : 6 / 3,5 L (grand/petit rinçage)

Contenu du colis :

  • 2 tiges filetées M12 (fixation céramique)
  • Vanne de chasse double débit
  • Couvercle de protection pour montage brut
  • 2 bouchons de protection
  • Robinet d’angle R 1/2" avec adaptateur
  • Tuyau d’alimentation AquaClean
  • Kit de raccordement ø 90 mm + coude ø 90 mm + adaptateur ø 90/110 mm
  • Matériel de fixation

Non inclus : kit de montage mural

Cuvette Ideal Standard Tesi AquaBlade et abattant ultra-fin avec frein de chute (T354601) :

  • La porcelaine cuite à 1270°, est insensible à la lumière et inaltérable aux acides de base.
  • Sa porosité est inférieure à 0,1%, le point de rupture se situe entre 500 et 600Kg/cm2.
  • L’émail (épaisseur de 0,7mm) est posé directement sur la porcelaine et est cuit à la même température, et ce sans engobe.
  • L’émail répond à la norme NF D14-503 (02/2012) concernant la résistance aux variations de température à 60°c et aux cycles de chocs thermiques à 120°c.
  • L'émail résiste aux produits chimiques décrits dans la norme NF D14-508 (02/2012).
  • La cuvette suspendue a un design élégant sans aucune protubérance.
  • La largeur de la paroi arrière est 285cm.
  • La cuvette est réalisée sans bride de rinçage et entièrement émaillée facilitant le nettoyage.
  • L'eau passe au travers de deux canaux latéraux ouverts et un trou central.
  • La cuvette est conçue pour un rinçage efficace à 4/2 & 6/3 litres (classe 2).
  • Les fixations sont situés à 180mm l'une de l'autre.
  • La fixation de la cuvette est réalisée à l'aide de deux tiges filetées.
  • La cuvette installée à une tolérance de charge de 400kg sans risque de déformation ou de desserrage.
  • Dans le cas d’une fixation à 320mm du sol fini, la hauteur du siège sans abattant sera de 400mm et la distance entre le fond de la cuvette et le sol fini sera de 60mm.
  • Le nom du fabricant apparaît en toute lettre sur le produit.
  • Dimensions (lxpxh) : 365 x 535 x 355mm
  • Conforme à la norme : EN 997 & EN 33

.

Geberit Plaque de déclenchement DELTA01 (115.107.11.1) : 

  • Delta dispose de 2 touches, l'une pour une petite chasse de 3L et l'autre pour une grande chasse de 6L
  • Economies en eau
  • Déclenchement frontal

.

Attention! Il est impératif de vérifier le bon état du colis aussi bien extérieur qu'intérieur, au moment de la livraison.

Prix public provenant de Geberit République Tchèque

Caractéristiques techniques du produit
  • Coloris:Blanc
  • Matière:Céramique
  • Type de produit:Pack WC
  • Longueur:36.5
  • Largeur:53.5
  • Hauteur:35.5
  • Abattant:SOFT CLOSE
  • Cuvette:AVEC BRIDE
  • Couleur Plaque:BLANC
  • Type de bâti:Mur
  • Marque cuvette:Ideal Standard
  • Marque bâti:Geberit
  • Coloris cuvette:Blanc
  • Fixation invisible:oui
  • Nombre de composants:1
  • Abattant déclipsable:Oui
Ecrire un commentaire
Avis *
Les champs marqués d'un astérisque (*) sont obligatoires.
Produit seul
539
90
TTC
758
19
Prix public conseillé
Le prix public conseillé (PPC) est un prix de revente conseillé par un fabricant à ses distributeurs.
Lorsqu’il s’agit d’un pack multi-marques, c’est alors la somme des PPC de ses composants.

(28.79% d'économie)
Quantité:
Dont 0.30 d' éco-part. DEEE
351 En stock
Expédié avant le 27 février
Paiement sécurisé
Produits fréquemment achetés ensemble
Avis clients
Bruno C.
01/11/2025

Super, commande conforme livrée très rapidement et bien emballée ! Je recommande.

Kouider K.
04/12/2025

J'ai acheté plusieurs articles chez Livea pour ma nouvelle salle de bain et j'ai été très satisfait de la prise en compte de la commande ainsi que la rapidité de livraison. Les articles correspondent aux éléments du site et j'ai enregistré le site en cas

Bruno G.
02/11/2025

Commande expédiée rapidement, emballage soigneux.

Pierre A.
06/01/2026

Site sérieux et prix attractifs. Dans mon cas le SAV a su être joignable et réactif suite à un problème relevant du transporteur, une solution a été trouvée rapidement. Merci.

4.5/5