Quantité
Total
Dont d' éco-part. DEEE
Il y a 0 produits dans votre panier. Il y a 1 produit dans votre panier.
Total produits
Frais de port  À définir
Total
Continuer mes achats Commander
Vos produits 0 produit

Total

Sous-total de la commande
0
00
Livraison
0
00
Total
0
00
Dont d' éco-part. DEEE
COMMANDER

Pack bati-support Geberit 112cm + WC sans bride Swiss Aqua Technologies + abattant ultra-fin (BREVISGEB3-SPRAY2)

  • Référence du produit: BREVISGEB3-SPRAY2
  • EAN: 734077005698
  • Marque: Manufacturer 5 59
  • Série: Duofix
Garantie du produit: 2 ans
439
90
TTC
665
07
Prix public conseillé
Le prix public conseillé (PPC) est un prix de revente conseillé par un fabricant à ses distributeurs.
Lorsqu’il s’agit d’un pack multi-marques, c’est alors la somme des PPC de ses composants.
( 33.86% d'économie)
0 En stock
Livraison à domicile 3 - 6 juin
Quantité:

Caractéristiques du Pack Bâti-support Geberit 112cm + WC sans bride Swiss Aqua Technologies Brevis + Abattant ultra-fin, softclose + Douchette bidet + Plaque blanche :

  • Swiss Aqua Technologies WC suspendu sans bride, fixations invisibles + abattant ultra-fin, softclose (SATBRE011RREXP)
  • Geberit DUOFIXBasic pour toilettes suspendues, avec réservoir Delta (111.153.00.1)
  • Kit de fixations murales Geberit Duofix pour auto-assemblage (111.839.00.1)
  • Geberit Plaque de déclenchement DELTA01 blanche (115.107.11.1)
  • Valsir Manchon de raccordement 90/100 (VS0564190)
  • Grohe Tempesta-F Trigger Spray 30 Support de douche mural 1 jet, Chromé (27513001)

.

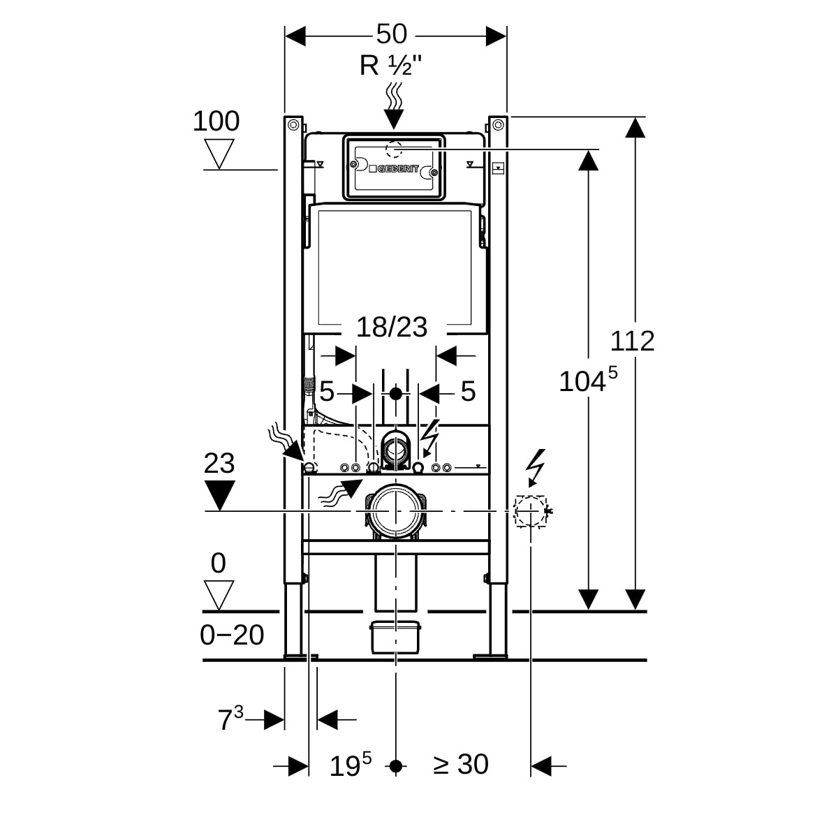
Geberit DUOFIXBasic pour toilettes suspendues, avec réservoir Delta (111.153.00.1) : 

Préconisations de mise en oeuvre : 

Ces bâti-supports pour WC suspendus sont dédiés aux types d'installation suivants :
  • Contre un mur porteur (voile béton, carreaux de plâtre, béton cellulaire, briques, parpaings) et sur une dalle béton en utilisant les fixations fournies.
  • Dans une cloison à ossature métallique constituée de rails renforcés (KNAUF, PLACO, …) à hauteur de la pièce ou avec des rails et montants Geberit système Duofix à hauteur partielle ou de la pièce (selon préconisations fabricant).

Ces bâti-supports pour WC suspendus ne peuvent être installés contre des cloisons en plaques de plâtre à âme alvéolaire en carton, contre des cloisons en plaques de plâtre sur ossature métallique ou contre des cloisons de séparation double peau en plaques de plâtre sur ossature métallique sans accessoirisation additionnelle (substitution des pieds fournis par des pieds autoportants) ou l'ajout de renforts complémentaires (à intégrer au préalable dans la cloison au niveau des fixations hautes).

Ces bâti-supports pour WC montés suspendus peuvent être installés sur des planchers en bois s'ils sont posés contre un mur porteur (voir description précédente) et leurs pieds sur une solive ou lambourde à l'aide des tirefonds fournis.

Caractéristiques principales :

  • Citerne encastrée Geberit Delta UP100 (12 cm), activation frontale
  • Anticondensation, profondeur d'installation : 12 cm
  • Réglage possible du grand débit de chasse (4,5 / 6 / 7,5 L)
  • Petit débit fixe, possibilité de rinçage immédiat
  • Alimentation en eau arrière/centrale supérieure
  • Raccordement manuel possible à la vanne d’angle
  • Compatibilité :
    • 1 touche : Delta15
    • 2 touches : Delta20
  • Cadre autoportant, revêtement bleu, avec trous ø 9 mm (fixation bois)
  • Pieds réglables de 0 à 20 cm, plaques de base adaptées au montage UW50

Informations techniques :

  • Réglage usine : 6 / 3,5 L (grand/petit rinçage)

Contenu du colis :

  • 2 tiges filetées M12 (fixation céramique)
  • Vanne de chasse double débit
  • Couvercle de protection pour montage brut
  • 2 bouchons de protection
  • Robinet d’angle R 1/2" avec adaptateur
  • Tuyau d’alimentation AquaClean
  • Kit de raccordement ø 90 mm + coude ø 90 mm + adaptateur ø 90/110 mm
  • Matériel de fixation

Non inclus : kit de montage mural

Swiss Aqua Technologies WC suspendu sans bride, fixations invisibles + abattant ultra-fin, softclose (SATBRE011RREXP) :

  • Marque : Swiss Aqua Technologies
  • Matériau : Céramique
  • Cuvette au style simple et épuré
  • Cuvette sans bride
  • Fixations invisibles
  • Profondeur de 53 cm
  • Rinçage économique 3 / 4,5 L
  • Abattant avec frein de chute
  • Abattant ultra-fin
  • Abattant déclipsable
  • Facile d'entretien grâce au système sans bride et l'abattant amovible
  • Installation rapide

Grohe Tempesta-F Trigger Spray 30 Support de douche mural 1 jet, Chromé (27513001):

  • Tempesta-F Trigger Spray 30 Support de douche mural 1 jet
  • Douchette avec gâchette (27512001)
  • Support mural pour douchette (28605000)
  • Flexible de douche Silverflex 1250 mm (26335)
  • GROHE StarLight Chrome éclatant et durable
  • Procédé anti-calcaire SpeedClean
  • Inner WaterGuide, longévité maximale
  • Système anti-torsion
  • Pression minimale 1 bar
  • Se référer aux normes locales d'installation
  • Robinet d'arrêt 1/2" (2295800M) à commander séparément

Geberit Plaque de déclenchement DELTA01 (115.107.11.1) : 

  • Delta dispose de 2 touches, l'une pour une petite chasse de 3L et l'autre pour une grande chasse de 6L
  • Economies en eau
  • Déclenchement frontal

.

Attention ! Il est impératif de vérifier les produits à réception. Une éventuelle avarie doit être constatée devant le livreur et indiquée précisément pour chaque produit sur le bon de livraison. Aucune réclamation ne pourra être acceptée a posteriori, les transporteurs étant très stricts à ce sujet. Nous vous remercions pour votre compréhension.

Caractéristiques techniques du produit
  • Coloris: Blanc
  • Matière: Céramique
  • Type de produit: Pack WC
  • Longueur: 112
  • Largeur: 53
  • Hauteur: 12
  • Poids (kg): 35
  • Marque : Geberit
  • Avec abattant: SOFT CLOSE
  • Cuvette: SANS BRIDE
  • Couleur Plaque: BLANC
  • Type de bâti: Mur
  • Marque cuvette: Swiss Aqua Technologies
  • Marque bâti: Geberit
  • Coloris cuvette: Blanc
  • Avec fixation invisible: Oui
  • PMCB unique identifier idu: FR043823_04FWQW
  • Nombre de composants: 1
  • Abattant déclipsable: Oui
Ecrire un commentaire
Avis *
Les champs marqués d'un astérisque (*) sont obligatoires.
439
90
TTC
665
07
Prix public conseillé
Le prix public conseillé (PPC) est un prix de revente conseillé par un fabricant à ses distributeurs.
Lorsqu’il s’agit d’un pack multi-marques, c’est alors la somme des PPC de ses composants.

(33.86% d'économie)
Dont 0.30 d' éco-part. DEEE
0 En stock
Livraison à domicile 3 - 6 juin
Quantité:
Paiement sécurisé
Avis clients
Aurélie N.
04/03/2026

Je suis ravie de ma commande sur le site de Livea. Les produits et promotions sont intéressants, le site est simple d'utilisation et le service client réactif et efficace. J'ai commandé un wc et une paroi de douche. Tout est arrivé en très bon état. Je ne

Mederic B.
24/02/2026

La commande correspond totalement à nos attente et le service client a répondu très rapidement à notre demande pour un renseignement.

Cédric M.
02/03/2026

Super et envoie assez rapide

Jacques F.
25/02/2026

Tout était conforme à mes attentes. Produit, livraison, prix

4.5/5