Quantité
Total
Dont d' éco-part. DEEE
Il y a 0 produits dans votre panier. Il y a 1 produit dans votre panier.
Total produits
Frais de port  À définir
Total
Continuer mes achats Commander
Recommandé

Installation de votre produit

49€40
Vos produits 0 produit

Total

Sous-total de la commande
0
00
Livraison
0
00
Total
0
00
Dont d' éco-part. DEEE
COMMANDER

Pack WC Bati-support Geberit + WC sans bride Swiss Aqua Technologies (SATRIMLESSGEBX-SP)

  • Référence du produit: SATRIMLESSGEBX-SP
  • EAN: 734077013808
  • Marque: Manufacturer 5 59
Garantie du produit: 2 ans
Produit seul
619
90
TTC
725
18
Prix public conseillé
Le prix public conseillé (PPC) est un prix de revente conseillé par un fabricant à ses distributeurs.
Lorsqu’il s’agit d’un pack multi-marques, c’est alors la somme des PPC de ses composants.
( 14.52% d'économie)
Quantité:
26 En stock
Expédié avant le 27 février
Dont 0.30 d' éco-part. DEEE

Ce pack WC comprend le Jeu de pieds Autoportant Geberit. En faisant l'achat de ce Pack WC, vous pourrez installer votre Pack WC à votre convenance sur tout type de cloison.

Vous avez un mur porteur : vous pouvez installer le bâti support tel quel en utilisant les fixations murales.

Vous n'avez pas de mur porteur : grâce aux pieds Geberit Autoportants, vous pourrez fixer le bâti support au sol, parfait pour les cloisons légères !

Pour accompagner votre bâti, ce Pack comprend notre WC Best seller Swiss Aqua Technologies. Sans bride, fixations invisibles, Abattant frein de chute et déclipsable. Design moderne et facilité d'entretien garantie !

Voir la description détaillée
Caractéristiques techniques du produit
  • Matière:Céramique
  • Type de produit:Pack WC
  • Abattant:SOFT CLOSE
  • Cuvette:SANS BRIDE
  • Couleur Plaque:BLANC
  • Type de bâti:Sol
  • Marque cuvette:Swiss Aqua Technologies
  • Marque bâti:Geberit
  • Coloris cuvette:Blanc
  • Fixation invisible:oui
  • Abattant déclipsable:Oui

Caractéristiques du Pack Autoportant Bâti-support Duofix + WC SAT sans bride, fixations invisibles + Abattant softclose + Jeu de pieds autoportants pour bâti-support Geberit Duofix + Plaque blanche :

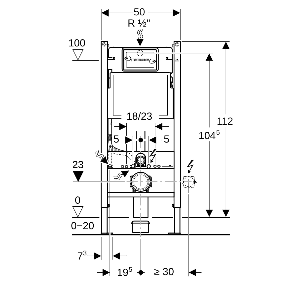
  • Geberit DUOFIXBasic pour toilettes suspendues, avec réservoir Delta (111.153.00.1)
  • Kit de fixations murales Geberit Duofix pour auto-assemblage (111.839.00.1)
  • Geberit Plaque de déclenchement DELTA01 blanche (115.107.11.1)
  • Swiss Aqua Technologies Cuvette suspendue sans bride et fixations invisibles + abattant frein de chute (SATBRE010RREXP)
  • Geberit Jeu de pieds autoportants, pour bâti-support Geberit Duofix (111.849.00.2)

.

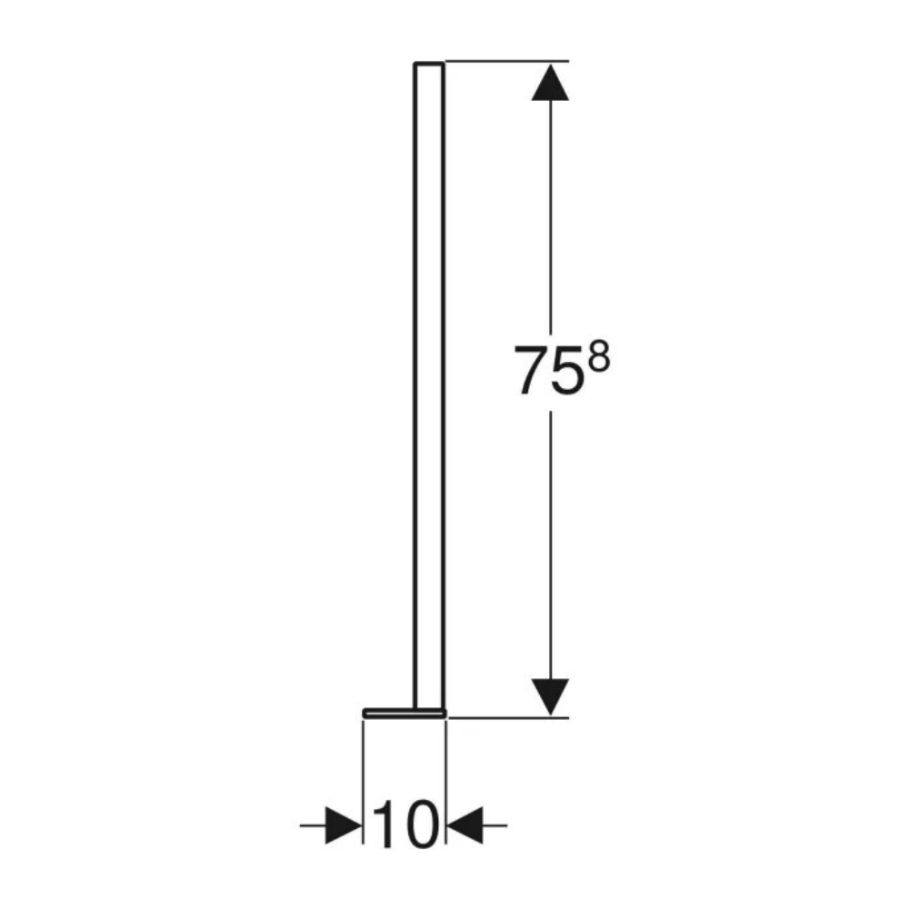
Geberit Jeu de pieds autoportants, pour bâti-support Geberit Duofix (111.849.00.2) :

  • Pour hauteur de chape de 0–20 cm
  • Pour une utilisation avec des bâti-supports Geberit Duofix pour un meilleur transfert des forces dans le sol
  • Pieds réglables en continu
  • Pieds en métal, protégés contre la corrosion
  • Pieds larges autoportants, convient pour tout type de cloisons.

Geberit DUOFIXBasic pour toilettes suspendues, avec réservoir Delta (111.153.00.1) : 

Préconisations de mise en oeuvre : 

Ces bâti-supports pour WC suspendus sont dédiés aux types d'installation suivants :

  • Contre un mur porteur (voile béton, carreaux de plâtre, béton cellulaire, briques, parpaings) et sur une dalle béton en utilisant les fixations fournies.
  • Dans une cloison à ossature métallique constituée de rails renforcés (KNAUF, PLACO, …) à hauteur de la pièce ou avec des rails et montants Geberit système Duofix à hauteur partielle ou de la pièce (selon préconisations fabricant).

Ces bâti-supports pour WC suspendus ne peuvent être installés contre des cloisons en plaques de plâtre à âme alvéolaire en carton, contre des cloisons en plaques de plâtre sur ossature métallique ou contre des cloisons de séparation double peau en plaques de plâtre sur ossature métallique sans accessoirisation additionnelle (substitution des pieds fournis par des pieds autoportants) ou l'ajout de renforts complémentaires (à intégrer au préalable dans la cloison au niveau des fixations hautes).

Ces bâti-supports pour WC montés suspendus peuvent être installés sur des planchers en bois s'ils sont posés contre un mur porteur (voir description précédente) et leurs pieds sur une solive ou lambourde à l'aide des tirefonds fournis.

Caractéristiques principales :

  • Citerne encastrée Geberit Delta UP100 (12 cm), activation frontale
  • Anticondensation, profondeur d'installation : 12 cm
  • Réglage possible du grand débit de chasse (4,5 / 6 / 7,5 L)
  • Petit débit fixe, possibilité de rinçage immédiat
  • Alimentation en eau arrière/centrale supérieure
  • Raccordement manuel possible à la vanne d’angle
  • Compatibilité :
    • 1 touche : Delta15
    • 2 touches : Delta20
  • Cadre autoportant, revêtement bleu, avec trous ø 9 mm (fixation bois)
  • Pieds réglables de 0 à 20 cm, plaques de base adaptées au montage UW50

Informations techniques :

  • Réglage usine : 6 / 3,5 L (grand/petit rinçage)

Contenu du colis :

  • 2 tiges filetées M12 (fixation céramique)
  • Vanne de chasse double débit
  • Couvercle de protection pour montage brut
  • 2 bouchons de protection
  • Robinet d’angle R 1/2" avec adaptateur
  • Tuyau d’alimentation AquaClean
  • Kit de raccordement ø 90 mm + coude ø 90 mm + adaptateur ø 90/110 mm
  • Matériel de fixation

Non inclus : kit de montage mural

Swiss Aqua Technologies Cuvette suspendue sans bride et fixations invisibles + abattant frein de chute (SATBRE010RREXP) :

  • Marque : Swiss Aqua Technologies
  • Matériau : Céramique
  • WC compact adapté aux petits espaces
  • Cuvette au style simple et épuré
  • Cuvette sans bride
  • Fixations cachées
  • Profondeur de 48 cm
  • Rinçage économique 3 / 4,5 L
  • Abattant avec frein de chute
  • Abattant déclipsable
  • Facile d'entretien grâce au système sans bride et l'abattant amovible
  • Installation rapide

.

Geberit Plaque de déclenchement DELTA01 blanche (115.107.11.1) :

  • Delta dispose de 2 touches, l'une pour une petite chasse de 3L et l'autre pour une grande chasse de 6L
  • Economies en eau
  • Déclenchement frontal

.

Attention ! Il est impératif de vérifier les produits dans les 72H. Une éventuelle avarie doit être constatée devant le livreur et indiquée précisément pour chaque produit sur le bon de livraison. Aucune réclamation ne pourra être acceptée a posteriori, les transporteurs étant très stricts à ce sujet. Nous vous remercions pour votre compréhension.

Ecrire un commentaire
Avis *
Les champs marqués d'un astérisque (*) sont obligatoires.
Produit seul
619
90
TTC
725
18
Prix public conseillé
Le prix public conseillé (PPC) est un prix de revente conseillé par un fabricant à ses distributeurs.
Lorsqu’il s’agit d’un pack multi-marques, c’est alors la somme des PPC de ses composants.

(14.52% d'économie)
Quantité:
Dont 0.30 d' éco-part. DEEE
26 En stock
Expédié avant le 27 février
Paiement sécurisé
Avis clients
Bruno C.
01/11/2025

Super, commande conforme livrée très rapidement et bien emballée ! Je recommande.

Kouider K.
04/12/2025

J'ai acheté plusieurs articles chez Livea pour ma nouvelle salle de bain et j'ai été très satisfait de la prise en compte de la commande ainsi que la rapidité de livraison. Les articles correspondent aux éléments du site et j'ai enregistré le site en cas

Bruno G.
02/11/2025

Commande expédiée rapidement, emballage soigneux.

Pierre A.
06/01/2026

Site sérieux et prix attractifs. Dans mon cas le SAV a su être joignable et réactif suite à un problème relevant du transporteur, une solution a été trouvée rapidement. Merci.

4.5/5