Quantité
Total
Dont d' éco-part. DEEE
Il y a 0 produits dans votre panier. Il y a 1 produit dans votre panier.
Total produits
Frais de port  À définir
Total
Continuer mes achats Commander
Recommandé

Installation de votre produit

49€40
Vos produits 0 produit

Total

Sous-total de la commande
0
00
Livraison
0
00
Total
0
00
Dont d' éco-part. DEEE
COMMANDER
Nouveau

Grohe Pack bâti support+WC sans bride + Abattant avec frein de chute+Plaque de commande (ProjectS60-1)

  • Référence du produit: PROJECTS60-1
  • EAN: 8592127190846
  • Marque: Manufacturer 6
  • Série: Rapid SL
Garantie du produit: 5 ans
Produit seul
419
90
TTC
753
01
Prix public conseillé
Le prix public conseillé (PPC) est un prix de revente conseillé par un fabricant à ses distributeurs.
Lorsqu’il s’agit d’un pack multi-marques, c’est alors la somme des PPC de ses composants.
( 44.24% d'économie)
Quantité:
13 En stock
Expédié avant le 2 mars
Dont 0.30 d' éco-part. DEEE

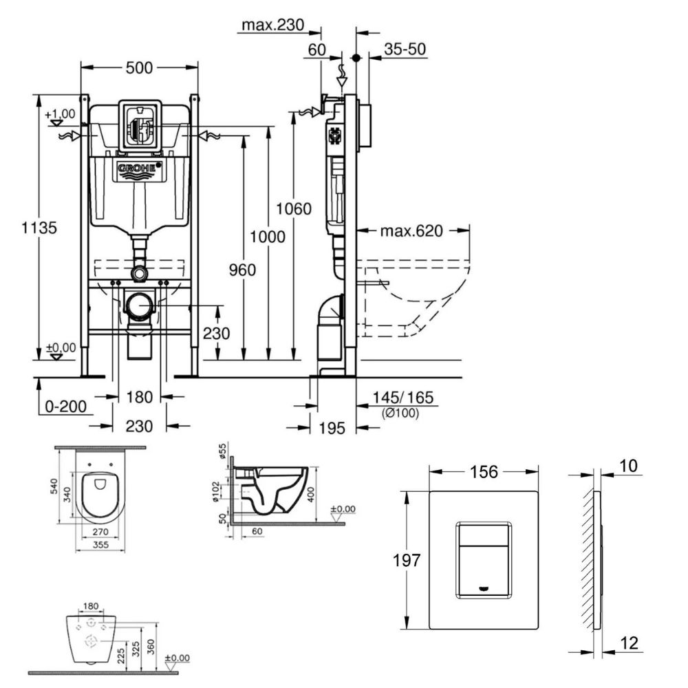
Caractéristiques du Pack bâti support+WC sans bride + Abattant avec frein de chute+Plaque de commande (ProjectS60-1) :

  • Grohe RAPID SL Project bâti support autoportant pour WC, 1.13 M (39145000)
  • Vitra Ensemble cuvette suspendue S60 blanc + abattant (7510-003-6288)
  • Grohe Skate Cosmopolitan Plaque de commande WC chrome (38732000)

Grohe RAPID SL Project bâti support autoportant pour WC, 1.13 M (39145000): 

  • Réservoir et mécanisme pneumatique Certifié NF
  • Réservoir GD 2, 6-9 L
  • Comprend les supports muraux 3855800M pour une installation murale
  • Pour le montage des petites plaques de commande, commandez séparément le gabarit 40 911 000
  • Assemblage facile en connectant le capillaire pneumatique à la plaque de commande
  • Réglage en hauteur rapide avec prédétermination automatique de la hauteur de montage souhaitée
  • Fixation murale avec réglage rapide en profondeur; ajustement de profondeur par l'avant
  • Support mural orientable sur 360 degrés pour éviter les joints
  • Pieds avec points de fixation polyvalents et pratiques, pour montage sur rail, sur profil en U de 50 ou 75 mm
  • Points de fixation pour accessoires ; montage des éléments sans ancrage au sol
  • Points de fixation pour montage des éléments dans des supports muraux en bois
  • Coude DN 80 avec réduction DN 80/100
  • Fixation du coude de vidage sans outil
  • Collier de vidage avec réglage de la profondeur à 2 niveaux

Vitra ensemble cuvette suspendue Vitra S60 blanc + abattant (7510-003-6288)

  • Matériel: céramique
  • Couleur : blanc brillant
  • Largeur: 35,5 cm
  • Hauteur: 35 cm
  • Profondeur: 54 cm
  • Softclose

Grohe plaque de commande WC, Grohe Skate Cosmopolitan, chrome (38732000) :

  • Double touche interrompable
  • Pour mécanisme pneumatique AV1
  • Montage horizontal ou vertical
  • 156 x 197 mm
  • En ABS
  • GROHE StarLight pour un chrome éclatant et durable
  • GROHE EcoJoy permettant de réaliser des économies d’eau
  • Installation simple et sans outil

Attention ! Il est impératif de vérifier les produits à réception. Une éventuelle avarie doit être constatée devant le livreur et indiquée précisément pour chaque produit sur le bon de livraison. Aucune réclamation ne pourra être acceptée a posteriori, les transporteurs étant très stricts à ce sujet. Nous vous remercions pour votre compréhension.

Caractéristiques techniques du produit
  • Coloris:Blanc
  • Matière:Céramique
  • Type de produit:Pack WC
  • Longueur:54
  • Largeur:35.5
  • Hauteur:35
  • Profondeur:54
  • Poids (kg):35
  • Nouveautés:Nouveau
  • Abattant:SOFT CLOSE
  • Cuvette:SANS BRIDE
  • Couleur Plaque:BLANC
  • Type de bâti:Mur
  • Marque cuvette:Vitra
  • Marque bâti:Grohe
  • Coloris cuvette:Blanc
  • Nombre de composants:1
  • Abattant déclipsable:Oui
  • Volume de chasse (en L):6/9
  • Type de bride:Sans bride
  • Hauteur bâti:113
  • Hauteur cuvette :35
  • Largeur cuvette :35.5
Ecrire un commentaire
Avis *
Les champs marqués d'un astérisque (*) sont obligatoires.
Produit seul
419
90
TTC
753
01
Prix public conseillé
Le prix public conseillé (PPC) est un prix de revente conseillé par un fabricant à ses distributeurs.
Lorsqu’il s’agit d’un pack multi-marques, c’est alors la somme des PPC de ses composants.

(44.24% d'économie)
Quantité:
Dont 0.30 d' éco-part. DEEE
13 En stock
Expédié avant le 2 mars
Paiement sécurisé
Avis clients
Bruno C.
01/11/2025

Super, commande conforme livrée très rapidement et bien emballée ! Je recommande.

Kouider K.
04/12/2025

J'ai acheté plusieurs articles chez Livea pour ma nouvelle salle de bain et j'ai été très satisfait de la prise en compte de la commande ainsi que la rapidité de livraison. Les articles correspondent aux éléments du site et j'ai enregistré le site en cas

Bruno G.
02/11/2025

Commande expédiée rapidement, emballage soigneux.

Pierre A.
06/01/2026

Site sérieux et prix attractifs. Dans mon cas le SAV a su être joignable et réactif suite à un problème relevant du transporteur, une solution a été trouvée rapidement. Merci.

4.5/5