Quantité
Total
Dont d' éco-part. DEEE
Il y a 0 produits dans votre panier. Il y a 1 produit dans votre panier.
Total produits
Frais de port  À définir
Total
Continuer mes achats Commander
Vos produits 0 produit

Total

Sous-total de la commande
0
00
Livraison
0
00
Total
0
00
Dont d' éco-part. DEEE
COMMANDER
Nouveau

Pack WC Bâti-support autoportant Rapid SL + Cuvette sans bride Cersanit + Abattant SoftClose + Plaque chromé mat (PROMILLE5SP)

  • Référence du produit: PROMILLE5SP
  • EAN: 8592127216898
  • Marque: Manufacturer 6
  • Série: Rapid SL
Garantie du produit: 5 ans
429
90
TTC
771
50
Prix public conseillé
Le prix public conseillé (PPC) est un prix de revente conseillé par un fabricant à ses distributeurs.
Lorsqu’il s’agit d’un pack multi-marques, c’est alors la somme des PPC de ses composants.
( 44.28% d'économie)
0 En stock
Livraison à domicile 16 - 19 mai
Quantité:

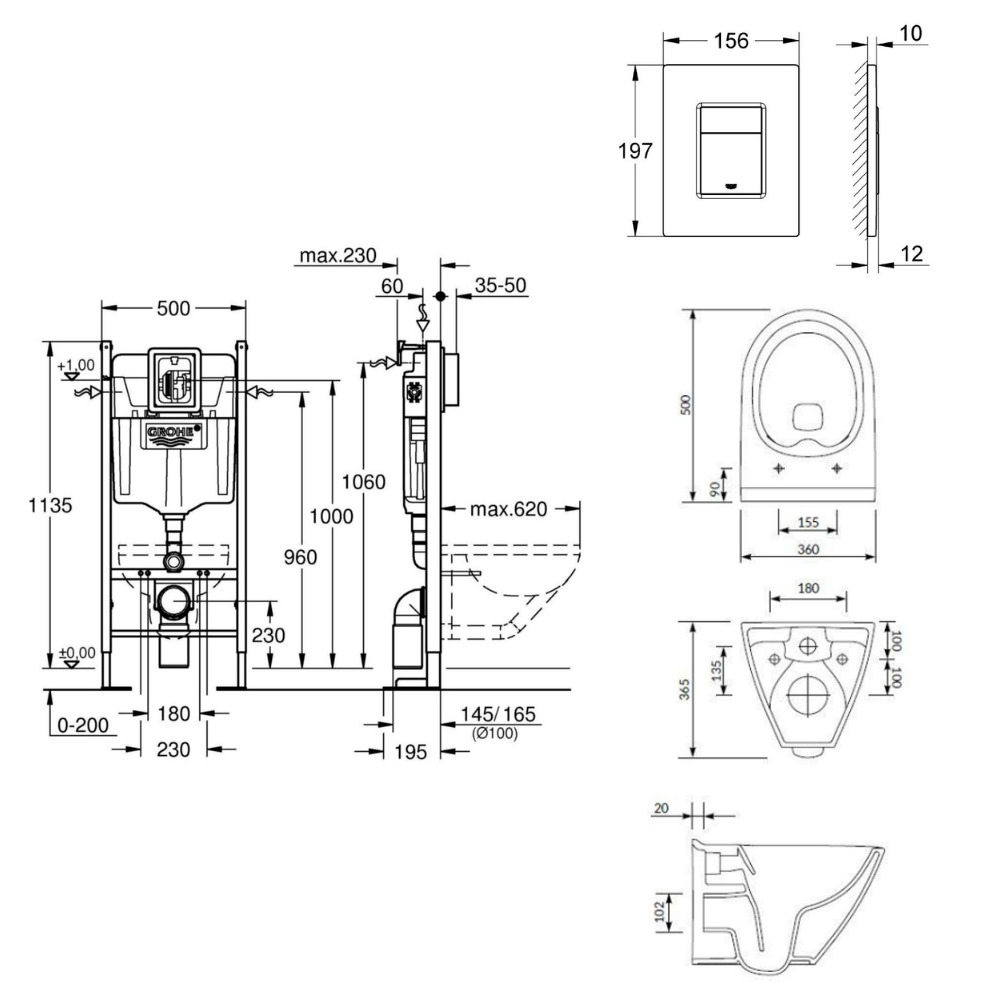
Caractéristiques du pack WC Bâti-support autoportant Grohe Rapid SL + Cuvette sans bride Cersanit + Abattant SoftClose + Plaque chromé mat (PROMILLE5SP) :

  • Grohe RAPID SL Project bâti support autoportant (G39145000)
  • Cersanit Mille Cuvette suspendue sans bride avec abattant softclose, Blanc (S701-454-ECO)
  • Grohe Skate Cosmopolitan Plaque de commande WC, Chromé mat (38732P00)

RAPID SL Project bâti support autoportant (G39145000) :

  • Réservoir et mécanisme pneumatique Certifié NF
  • Réservoir GD 2, 6-9 L
  • Comprend les supports muraux 3855800M pour une installation murale
  • Pour le montage des petites plaques de commande, commandez séparément le gabarit 40 911 000
  • Assemblage facile en connectant le capillaire pneumatique à la plaque de commande
  • Réglage en hauteur rapide avec prédétermination automatique de la hauteur de montage souhaitée
  • Fixation murale avec réglage rapide en profondeur; ajustement de profondeur par l'avant
  • Support mural orientable sur 360 degrés pour éviter les joints
  • Pieds avec points de fixation polyvalents et pratiques, pour montage sur rail, sur profil en U de 50 ou 75 mm
  • Points de fixation pour accessoires ; montage des éléments sans ancrage au sol
  • Points de fixation pour montage des éléments dans des supports muraux en bois
  • Coude DN 80 avec réduction DN 80/100
  • Fixation du coude de vidage sans outil
  • Collier de vidage avec réglage de la profondeur à 2 niveaux

Le système Rapid SL permet un montage rapide et propre grâce ses éléments d'installation spécialement conçus. On retrouve les instructions de pose des plaques sur le gabarit. 

Cersanit Mille Cuvette suspendue sans bride avec abattant softclose, Blanc (S701-454-ECO) :

  • Matière: céramique 
  • Sans bride 
  • Volume de chasse: 3/5L
  • coloris: Blanc
  • Dimensions: 36cmx36cmx50cm
  • Abattant soft close avec frein de chute 
  • Abattant déclipsable

Skate Cosmopolitan Plaque de commande WC, Chromé mat (38732P00) :

  • Double touche ou interrompable
  • Pour mécanisme pneumatique AV1
  • Montage horizontal ou vertical
  • 156 x 197 mm
  • En ABS
  • GROHE StarLight® brillance durable
  • GROHE EcoJoy® économie d’eau

Attention ! Il est impératif de vérifier les produits à réception. Une éventuelle avarie doit être constatée devant le livreur et indiquée précisément pour chaque produit sur le bon de livraison. Aucune réclamation ne pourra être acceptée a posteriori, les transporteurs étant très stricts à ce sujet. Nous vous remercions pour votre compréhension.

Caractéristiques techniques du produit
  • Coloris: Blanc
  • Matière: Céramique
  • Type de produit: Pack WC
  • Longueur: 36
  • Largeur: 36
  • Hauteur: 50
  • Profondeur: 36
  • Poids (kg): 35
  • Nouveautés: Nouveau
  • Marque : Grohe
  • Avec abattant: SOFT CLOSE
  • Cuvette: SANS BRIDE
  • Couleur Plaque: CHROME MAT
  • Type de bâti: Sol
  • Marque cuvette: Cersanit
  • Marque bâti: Grohe
  • PMCB unique identifier idu: FR043823_04FWQW
  • Nombre de composants: 1
  • Volume de chasse (en L): 6/9
  • Type de bride: Sans bride
  • Hauteur cuvette : 50
  • Largeur cuvette : 36
Ecrire un commentaire
Avis *
Les champs marqués d'un astérisque (*) sont obligatoires.
429
90
TTC
771
50
Prix public conseillé
Le prix public conseillé (PPC) est un prix de revente conseillé par un fabricant à ses distributeurs.
Lorsqu’il s’agit d’un pack multi-marques, c’est alors la somme des PPC de ses composants.

(44.28% d'économie)
Dont 0.30 d' éco-part. DEEE
0 En stock
Livraison à domicile 16 - 19 mai
Quantité:
Paiement sécurisé
Avis clients
Aurélie N.
04/03/2026

Je suis ravie de ma commande sur le site de Livea. Les produits et promotions sont intéressants, le site est simple d'utilisation et le service client réactif et efficace. J'ai commandé un wc et une paroi de douche. Tout est arrivé en très bon état. Je ne

Mederic B.
24/02/2026

La commande correspond totalement à nos attente et le service client a répondu très rapidement à notre demande pour un renseignement.

Cédric M.
02/03/2026

Super et envoie assez rapide

Jacques F.
25/02/2026

Tout était conforme à mes attentes. Produit, livraison, prix

4.5/5